Rám na zváranie na Merlo ZM3 8,0t 2,2m
Neohodnotené
Podrobnosti hodnotenia
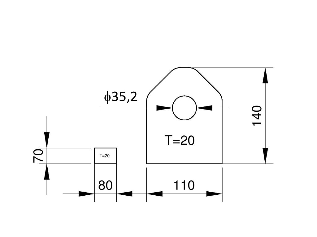
Rám na zváranie pre Merlo ZM3 s nosnosťou 8000 kg.
Podrobný popis
Tento rám je navrhnutý pre stroje Merlo ZM3 a má nosnosť 8000 kg. Je vyrobený z veľmi pevného materiálu, čo zaisťuje vysokú odolnosť a spoľahlivosť pri použití. Rám je ideálny pre zváracie aplikácie a poskytuje potrebnú stabilitu pre manipuláciu s ťažkými bremenami.
Špecifikácia
- Nosnosť: 8000 kg
- Použitie: stroje Merlo ZM3
Vlastnosti
- Vyrobené z veľmi pevného materiálu pre dlhú životnosť a vysokú odolnosť.
- Ideálne pre zváračské aplikácie a manipuláciu s ťažkými bremenami.
Hodnotenie tovaru
Buďte prvý, kto napíše príspevok k tejto položke.
